
在本章中,描述了基本指令系統的種類及其功能。
基本指令系統分為兩部分:一部分是基本邏輯運算及輸出指令,包括取、與、或及它們的反運算、置位、復位和輸出指令。
這些指令是PLC的基本邏輯指令,加上定時器和計數器的綜合應用,基本上可以實現繼電器控制系統的程序編程。
在程序中,這部分指令用觸點、線及連線可以很方便的在梯形圖中表示。另一部分是邏輯處理指令。這些指令在程序中并不表示一定的邏輯運算,而是對復雜邏輯運算的處理,它包括電路塊、堆棧、主控操作、邊沿處理指令等。

1、【LD】取、【LDI】取反指令
LD、LDI指令是連接在母線上的觸點。和后述的ANB指令組合后,也可用在分支起點處。
指令格式

編程規則
梯形圖中,每一梯級的第一個觸點必須用取指令LD(常開)或取反指令LDI (常閉),并與左母線相連。
程序應用

2、【OUT】輸出指令
OUT指令是對輸出繼電器(Y)、輔助繼電器(M)、狀態繼電器(S)、定時器(T)、計數器(C)進行線圈驅動的指令。對輸入繼電器不能使用。
功能與動作說明
用OUT指令編寫的軟元件,根據驅動觸點的狀態執行ON/OFF。OUT指令為繼電器線圈驅動指令。將線圈前的邏輯運算結果輸出到指定的繼電器,使其觸點產生相應的動作。邏輯運算結果為1,繼電器閉合;結果為0,繼電器斷開。
1、使用位軟元

2、使用定時器和計數器
在針對定時器的計時線圈和計數器的計數線圈的OUT指令后需要加上設定值。設定值可以使用10進制數(K)直接指定,也可以使用數據寄存器(D)或擴展寄存器(R)間接指定。
(1)直接指定

(2)間接指定

可以在數據寄存器 (D)和擴展寄存器 (R)中設定定時器和計數器的設定值。此時,數據寄存器(D)和擴展寄存器(R)的當前值即為定時器的設定值。

3、【AND】與、【ANI】與反指令
AND、ANI指令是執行串聯連接1個觸點。 串聯觸點的數量沒有限制,該指令可以連續多次使用。 OUT指令后,觸點對其他的線圈使用OUT指令,稱為縱接輸出。 只要順序不錯,這樣的縱接輸出可以重復使用多次。
指令格式

4、【OR】或、【ORI】或反指令
OR、ORI指令可以作為并聯連接1個觸點的指令使用。 OR、ORI是從這個指令的步開始,與前面的LD、LDI指令的步進行并聯連接。并聯連接的次數不受限制。
指令格式

程序應用
控制要求:有四個自復位按鈕S1、S2、S3、S4和四個指示燈L1、L2、L3、L4,要求按下S1則L1亮,其.它燈熄,按下S2則L2亮,其它燈熄,按下S3則L3亮,其它燈熄,按下S4則L4亮,其它燈熄。

梯形圖程序

5、【LDP】、【LDF】、【ANDP】、【ANDF】、【ORP】、【ORF】指令
LDP、ANDP、ORP指令是檢測上升沿的觸點指令,僅在指定位軟元件的上升沿(從OFF改變到ON的時候)時接通1個運算周期。
LDF、ANDF、ORF指令是檢測下降沿的觸點指令,僅在指定位軟元件的下降沿(從ON改變到OFF)時,接通1個運算周期。
LDP、LDF編程實例

ANDP、ANDF編程實例

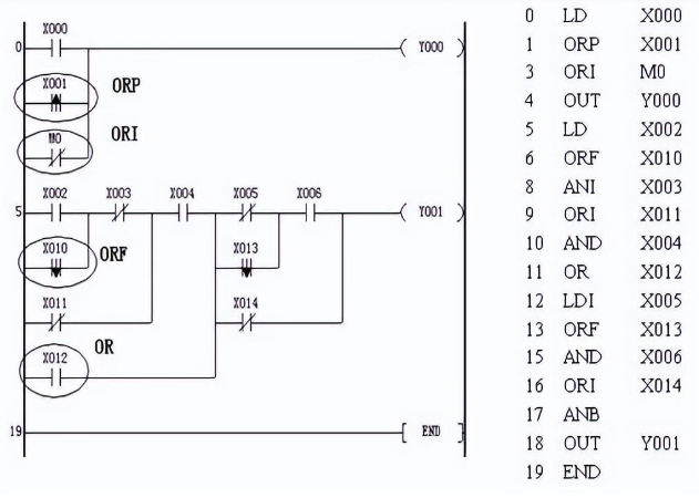
ORP、ORF編程實例

6、【ORB】、【ANB】指令
ORB指令是執行回路塊并聯連接的指令。由2個以上的觸點串聯連接的回路稱為串聯回路塊。當分支回路(并聯回路塊)與前面的回路串聯連接時,使用ANB指令。
指令格式

編程實例

在每個分支的最后使用ORB指令,不要在所有的分支后面使用ORB指令,如程序步4和7所示。ORB和ANB指令只對塊的連接,如果不是對塊就不能使用,如程序步16和18不是塊就不能使用。
7、【INV】指令
INV指令是將INV指令執行之前的運算結果反轉的指令。不需要指定軟元件號。
指令格式

功能和動作說明

上圖中,X000 為OFF 時,Y000 為ON,如果X000 為ON 時,則Y000 為OFF。 INV指令可以在與串聯觸點指令(AND、ANI、ANDP、ANDF指令)相同的位置處編程。

當X000為OFF時Y0導通,當X001為OFF時Y1導通
8、【SET】、【RST】指令
SET指令是當指令輸入為ON時,對輸出繼電器(Y)、輔助繼電器(M)、狀態(S)置ON的指令。此外,即使指令輸入為OFF,通過SET指令置ON的軟元件保持ON動作。
RST指令是對輸出繼電器(Y)、輔助繼電器(M)、狀態(S)、定時器(T)、計數器(C)進行復位的指令。可以對用SET指令置ON的軟元件進行復位(OFF )處理。
指令格式

注意要點
1、在同一運算周期內,對同一軟元件執行SET和RST指令時,會輸出距END指令(程序的結束)近的那條指令的結果。
2、可以對于同一軟元件,多次使用SET、RST指令,而且順序也可隨意,但軟元件最終的輸出狀態受最后執行的指令決定。
程序應用
控制要求:有SB0-SB5共6個按鈕,分別輸入數字0、1、2、3、4、5。當按下數字按鈕3402四個數字后(可以不要求按的順序)再按下按鈕區開鎖按鈕SB6,板上動作演示區L1燈亮,表示密碼輸入正確,鎖開。多按、少按或按錯在按下開鎖鍵SB6后,L2燈按1HZ的頻率閃爍報警,表示開鎖失敗。按下復位按鈕SB7可重復開鎖動作。
I/O口分配

上一篇:PLC為什么容易燒壞
下一篇:六軸運動控制器傳遞比較指令


